






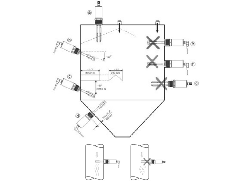
VIBRATING FORK LEVEL SWITCH


TECHNICAL DATA & TERMINAL
Technical data:
Power supply | 19…60VDC 19…250VAC 50/60Hz |
Switching time | In the medium 2 seconds, empty: 3 seconds |
Environment temp | -40…+70°C |
Medium temperature | -20°C~80°C (Normal temperature) -20°C~250°C (High temperature) |
Environmental humidity | ≤95%RH |
process pressure | -1…+40bar |
Medium type | Powder and particle =10mm,density>0.1g/cm³ |
Liquid, viscosity =10000mm2/s, density >0.7g/cm³ | |
Process connect | G1-1/2" Threaded, Flanged |
Electric connect | M12×P1.0 connector |
Shell material | SS304 |
Fork material | SS304/SS316 |
Output | Relay, AC250V/4A, DC60V/4A |
NPN, 400mA | |
PNP, 400mA | |
Power consumption | DC<3W, AC <15W |

WIRING & INSTRUCTION
NOTICE

● The interval between 2 Self-Checking should be >3 seconds.
● Default density is set for water: 1g/cm³, If the target medium density ≥ 1g/cm³, Self-Checking is not necessary. Self-Checking is necessary when the target medium density < 1g/cm³.
INSTRUCTION
We are here to help you! If you close the chatbox, you will automatically receive a response from us via email. Please be sure to leave your contact details so that we can better assist