BETTER TOUCH BETTER BUSINESS
Contact Sales at KAIDI level gauge manufacturer.
Product Overview
KD-TRI-3D-03 3D Radar Level Scanner is a non-contact, multi-dimensional material imaging radar measurement system designed for scanning and measuring various industrial and mining applications while precisely calculating stockpile volumes. It is suitable for volume calculation of diverse ore piles unloaded at port terminals; coal stockpiles, silos, storage warehouses, open large containers, and outdoor stockpiles of powdered or lumpy solids.
KD-TRI-3D-03 3D Radar Level Scanner
Based on advanced 120GHz~140GHz millimeter-wave frequency-modulated continuous wave radar technology, it enables long-range
material measurement, imaging, and high-resolution imaging effects with precise volume calculation accuracy. It can detect stored materials within a range of 0.1 to 100 meters and achieve more accurate imaging, featuring faster resolution
and data conversion rates. Utilizing MIMO phased array technology, combined with intelligent AI algorithms and digital twin technology, it achieves precise identification of bulk solids and powder materials, accurate volume calculation, and real-time level monitoring. Neither material type, product characteristics, storage silo type or size, nor harsh storage environments can compromise its measurement accuracy and reliability.

Application Areas
KD-TRI-3D-03 3D Radar Level Scanner is a non-contact radar system designed for extreme process environments with heavy dust, steam, and other challenging conditions. It provides multidimensional material imaging for storage applications, delivering high-precision level and volume measurement with transparent 3D imaging. This system meets the advanced requirements of on-site intelligent control applications. Typical use cases include:
Ideal for level, volume measurement, and 3D imaging of materials requiring non-contact handling in industries including coal, steel, non-ferrous metals, cement, power generation, coal chemical processing, petrochemicals, food processing, pharmaceuticals, and chemicals.
(1) Enhance inventory utilization efficiency
(2) Reduce material loss and gain costs
(3) Precisely control product costs
(4) Minimize uncertain discrepancies
(5) Enable intelligent procurement and logistics management
(6) Prevent unexpected silo collapses
(7) Deter material theft and misuse
Principles of Measurement
KD-TRI-3D-03 3D Radar Level Scanner employs triple-beam synthetic aperture radar (SAR) technology to achieve high-definition radar imaging and precise acquisition of high-resolution 3D surface data, enabling accurate volumetric measurement.
The measurement principle begins by acquiring a 2D radar image of the object/material surface via annular scanning SAR. Subsequently, based on the received SAR echo signal data, combined with Fourier optical principles and the phase information of the echo data, complex image data is processed through software algorithms to extract height and displacement data of the material surface.
Through beam focusing synthesis, polar coordinate transformation/conjugate product calculation, a radar image with contour lines is generated, yielding three-dimensional curved surface data of the material/object within the scanned area. The generated 3D radar image undergoes surface volume integration calculation to derive the material's volume value.
This measurement process continues until a stop command is received from the human-machine interface.
Mechanical Structure
KD-TRI-3D-03 3D Radar Level Scanner serves as the core unit for material measurement, environmental monitoring, data acquisition, and transmission. Equipped with a 120GHz–140GHz millimeter-wave radar, turntable, vertical motion mechanism, and other multi-structural devices, it features a high-strength, mobile multi-degree-of-freedom system with rotational and vertical motion. This design ensures stable operation for 3D scanning imaging radar, incorporating a smooth, dustproof, and corrosion-resistant autonomous detection platform. The control unit cavity is designed to meet explosion-proof standards, resulting in a compact, small-sized, and moderately weighted sensor assembly.
corrosion-resistant autonomous detection platform. The control unit housing is compact and explosion-proof compliant, resulting in a compact, small-volume, and moderately-weighted overall sensor structure.
Hardware circuitry and software systems are engineered to extend the scanning device's operational lifespan. Internal hardware circuits feature low-power design, incorporating a high-performance, low-power embedded AI hardware platform responsible for
120GHz–140GHz millimeter-wave radar multi-probe gimbal control, positioning, motion control, sensor data acquisition, intelligent recognition, data storage, human-machine interface, and backend operations.
A software system based on a B/S architecture model is established. The monitoring backend analyzes and stores all inspection data, featuring real-time material status display, real-time self-diagnosis, real-time monitoring, real-time early warning and alerts, inspection reports, historical data, and multiple subsystems. The operator station client software enables remote control of 3D monitoring equipment, material inspection scheduling, and data access.
alerts, inspection reports, and historical data. The operator station client software enables remote control of 3D monitoring equipment, material inspection scheduling, and data access.
Explosion-proof technology for 3D scanning imaging radar: Given the presence of gas, dust, and other harsh conditions in certain production environments, the robot must incorporate explosion-proof, dust-proof, moisture-proof, and corrosion-resistant capabilities. The drive unit, control unit, antenna system, and control box within the robot body all require explosion-proof design to ensure environmental application safety. Explosion-proof design increases product weight and volume, adding operational burden to the mechanical structure. Analyze the relationship between the overall weight, volume, and structural strength of the sensors to determine the product's overall architecture.

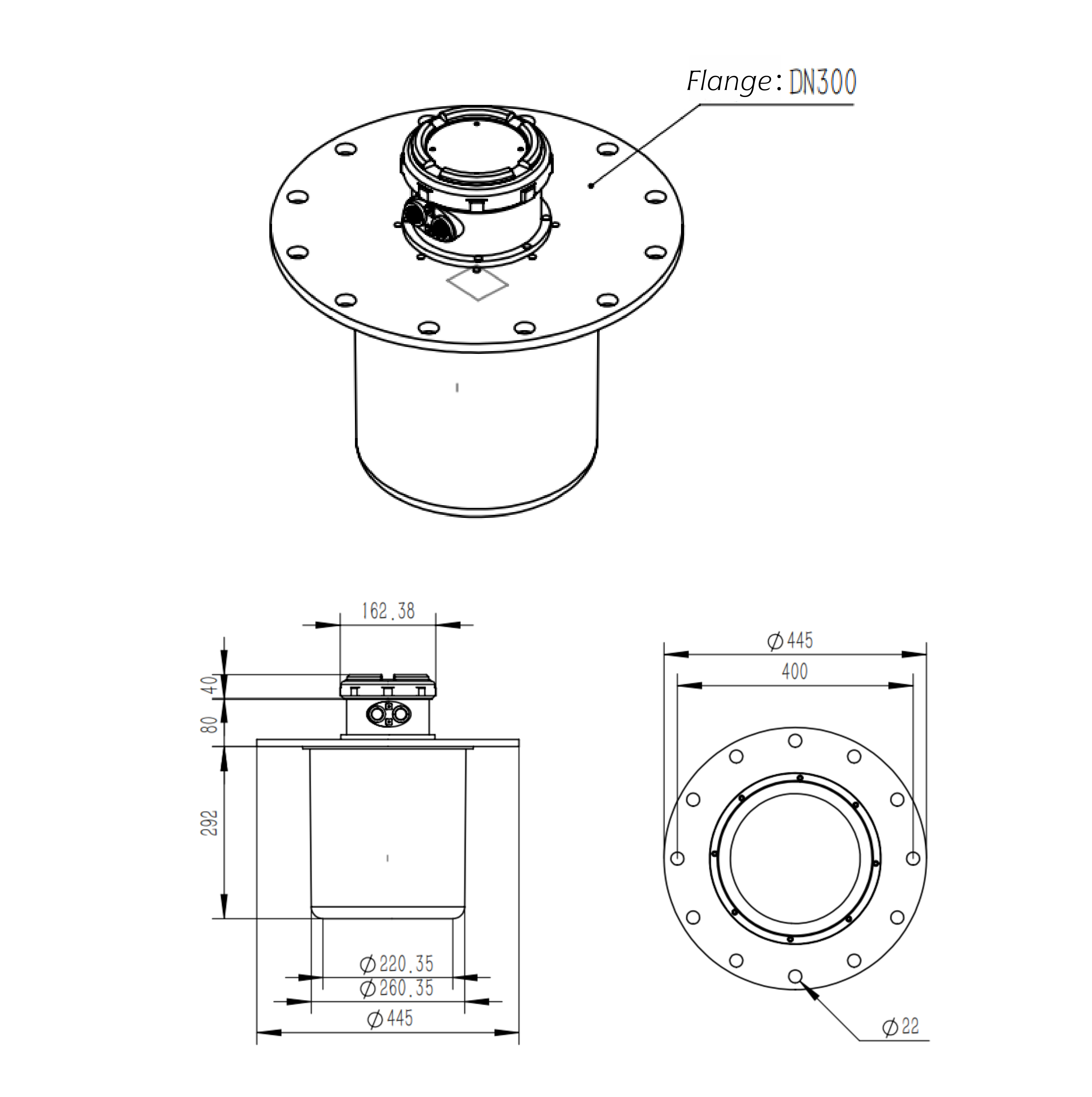
Technical Specifications

Structural Dimensions

Installation Specifications
Installation Position Selection:
The optimal installation height should allow the equipment to monitor the entire material surface,
minimizing any obstructions to the material surface. This maximizes the equipment's functionality and effectiveness.

If conditions permit, ensure the equipment is installed at least 1.5 meters above the maximum material pile height.
Installation Notes:
1. The radar is designed for field installation within specified ambient temperature ranges. During installation, position it as far as possible from vibrations, corrosive atmospheres, and areas prone to mechanical damage.
2. The radar installation location should avoid tank fixtures such as ladders, limit switches,
heating equipment, and supports. The maximum material level must not enter the measurement blind zone.
3. Shielded cables are recommended for field wiring and must not run parallel to AC cables over long distances.
The radar protective ground must be connected to a standard earth ground or instrument ground. The cross-sectional area of the grounding conductor
must not be less than 4mm².
Real-time 3D holographic imaging capability for material surfaces
The system supports real-time viewing of accurate internal data from measured silos. Through three-dimensional holographic imaging, users can understand the actual conditions inside the silo. Visualization of the material surface enables real-time monitoring and display of material level status within the silo, providing operators with reference and decision-making support. It allows for intuitive observation of material accumulation distribution, preventing fire and explosion risks caused by excessive pile height.

▲ Material Level Monitoring System - 3D Holographic Imaging and Real-Time Data
• Bin ID: The ID of the bin to be inspected.
• Radar ID: When multiple radars are present in the bin, specify the target radar ID.
• Shape: Cylindrical, Square; imaging currently supports these two shapes.
• Medium: Custom.
• Diameter (Length/Width): Diameter applies when Cylindrical is selected; Length and Width apply for Square; unit: m.
• Height: Tank height; unit: m.
• Capacity: Tank volume; unit: m³.
1.Real-Time Data Display Function
The system supports real-time display of silo volume, mass, maximum point, minimum point, average value, and material level percentage. This provides precise data within the silo, eliminating manual calculations, reducing human error, and enhancing measurement accuracy.
2.Real-time Radar Status Display Function
The system supports monitoring of temperature, output current, and signal strength for 3D radar level scanners. The coal bunker level monitoring system enables remote real-time assessment of equipment operational status, allowing early detection of potential issues and implementation of preventive maintenance to enhance equipment reliability and stability.

• Volume: Volume data corresponding to the material after imaging.
• Mass: Mass corresponding to the material after imaging.
• Maximum Height: Highest detected material height after imaging, in meters (m).
• Minimum Height: Lowest detected material height after imaging, in meters (m).
• Average: The average value of collected data, in meters (m).
• Temperature: Temperature of the 3D sensor device, in degrees Celsius (℃).
• Output Current: Output current of the 3D sensor, in milliamps (mA).
• Signal Strength: Signal strength received by the 3D sensor, in decibels (dB).
• Material Level Percentage: Percentage of material volume relative to the total tank volume after imaging.
3. Historical Data Curve Analysis Function
The system supports historical curve charts for maximum, minimum, average material levels, and volume data within silos. The primary purpose of historical curve analysis is to visually display historical material inflow and outflow changes, enabling timely analysis of material flow status.

▲Material Level Monitoring System - Historical Curves
• Level History Curve: View average level, maximum level, and minimum level for 24h, 48h, and 72h periods.
• Volume History Curve: View volume curves for 24h, 48h, and 72h periods.
• Mass History Curve: View mass curves for 24h, 48h, and 72h periods.
Monitoring Center Large Screen Display Function
The system supports integration with monitoring centers or other scenarios requiring large-screen displays, enabling real-time digital twins to achieve comprehensive, round-the-clock monitoring of material storage silos and advance the digital management of power plants.

▲ Material Level Monitoring System - Large Screen Display
By connecting the radar 3D level scanner, users can obtain and view its parameters and test data in real time. This data is displayed on the GUI through an intuitive graphical interface, enabling users to clearly understand the real-time status of the radar sensor equipment. Additionally, users can adjust the sensor's configuration parameters via the corresponding settings interface according to actual requirements, instantly observe the debugging results, and ensure the sensor operates at optimal parameters within specific environments.
We are here to help you! If you close the chatbox, you will automatically receive a response from us via email. Please be sure to leave your contact details so that we can better assist