








I. Principle
Radar level transmitter antenna microwave pulse is narrow, the downward transmission antenna. Microwave exposure to the medium surface is reflected back again by the antenna system receives, sends the signal to the electronic circuit automatically converted into level signals (because the microwave propagation speed, electromagnetic wave to reach the target and the reflected back to the receiver this time is almost instantaneous).

A Range set
B Low adjustment
C High
Datum measurement: Screw thread bottom or the sealing surface of the flange.
Note: Make sure the radar level meter the highest level cannot enter the measuring blind area
II. The characteristics of 26G radar level meter:
Ø Beam angle is small, the energy is concentrated, can enhance the ability of echo and to avoid interference.
Ø Small antenna size, easy to install; Non-contact radar, no wear, no pollution.
Ø Low weight of about 1kg, convienient for installation.
Ø Maximum measuring range up to 30m, covering large reservior's level measurement.
Ø Various output circuit interface and acquisition system.
Ø Almost no corrosion, bubble effect; almost not affected by water vapor in the atmosphere, the temperature and pressure changes.
III. Product Introduction
908s

| Application: | River, Lake, Shoal |
| Measuring Range: | 0~30m |
| Process Connection: | Woodwork, flange locked from DN 80/ 3" |
| Process Temperature: | (-40~80)℃ |
| Process Pressure: | (-0.1 ~ 0.3) Mpa |
| Accuracy: | ±3mm |
| Frequency: | 26GHz |
| Protection Grade: | IP67/IP65 |
| Power Source: | Two-wire (DC24V) /Four-wire(DC24V / AC220V) |
| Signal Output: | Modbus-RS485 protocal (6~24V DC) Two-wire (4 ~ 20) mA/HART (24V DC) |
| The Scene Display: | Optional |
| Shell: | Aluminum /Plastic |
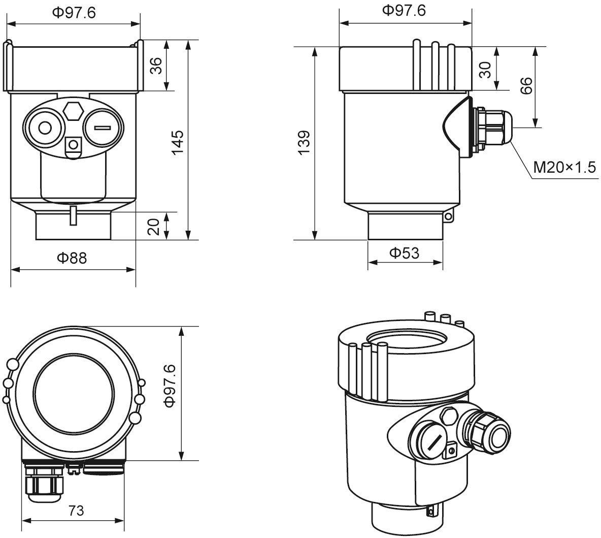
IV. Structure Size
Shell Size
Ø Aluminum Shell

Ø Plastic Shell

Product Size:

Size of Hydraulic Fission Displayer (if there was):

Woodwork Size:

V. Technical Parameters
The outer shell
The seal between the shell and the shell cover Silicone rubber
Casing window Polycarbonate
The ground terminal Stainless steel
The power supply voltage
Allowable ripple
- <100Hz Uss<lV
- (100~100K) Hz Uss<l0mV
Flameproof:
DC 24V / 4~20mA / 0.75W power dissipation 2-wire system
(6 ~24)V DC / Modbus-RS485 / 90mW power dissipation 4-wire system
The cable parameters
Cable entrance / plug 1 M20xl.5 cable entrance
Terminal Conductor cross section 1.0mm²
Output parameters
The output signal (4 ~ 20) mA /RS485
Communication protocol HART
Resolution 1.6μA
Fault signal Constant current output;
20. 5mA
22mA
3.9mA
The integral time (0 ~ 36) s, adjustable
Blind area the ends of the antenna
The maximum distance measurement 30 meters
Microwave frequency 26GHz
Communication interface HART communication protocol
The measurement interval about 1 second (depending on the parameter settings)
Adjust the time about 1 second (depending on the parameter settings)
Display resolution 1 mm
Working storage and transportation temperature (-40~80) ℃
Process temperature (the temperature of the antenna part) (-40~80)℃
Pressure 0.1MPa
Seismic Mechanical vibration l0m/s², (10 ~ 150) Hz
We are here to help you! If you close the chatbox, you will automatically receive a response from us via email. Please be sure to leave your contact details so that we can better assist